走进峨胜
集团产业
产品销售
社会责任
集团新闻
联系我们
首页
走进峨胜
集团产业
产品销售
社会责任
集团新闻
联系我们
FLLOW US:
您所在的位置:
网站首页
集团新闻
公示公告
新闻简讯
公示公告
集团新闻
新闻简讯
公示公告
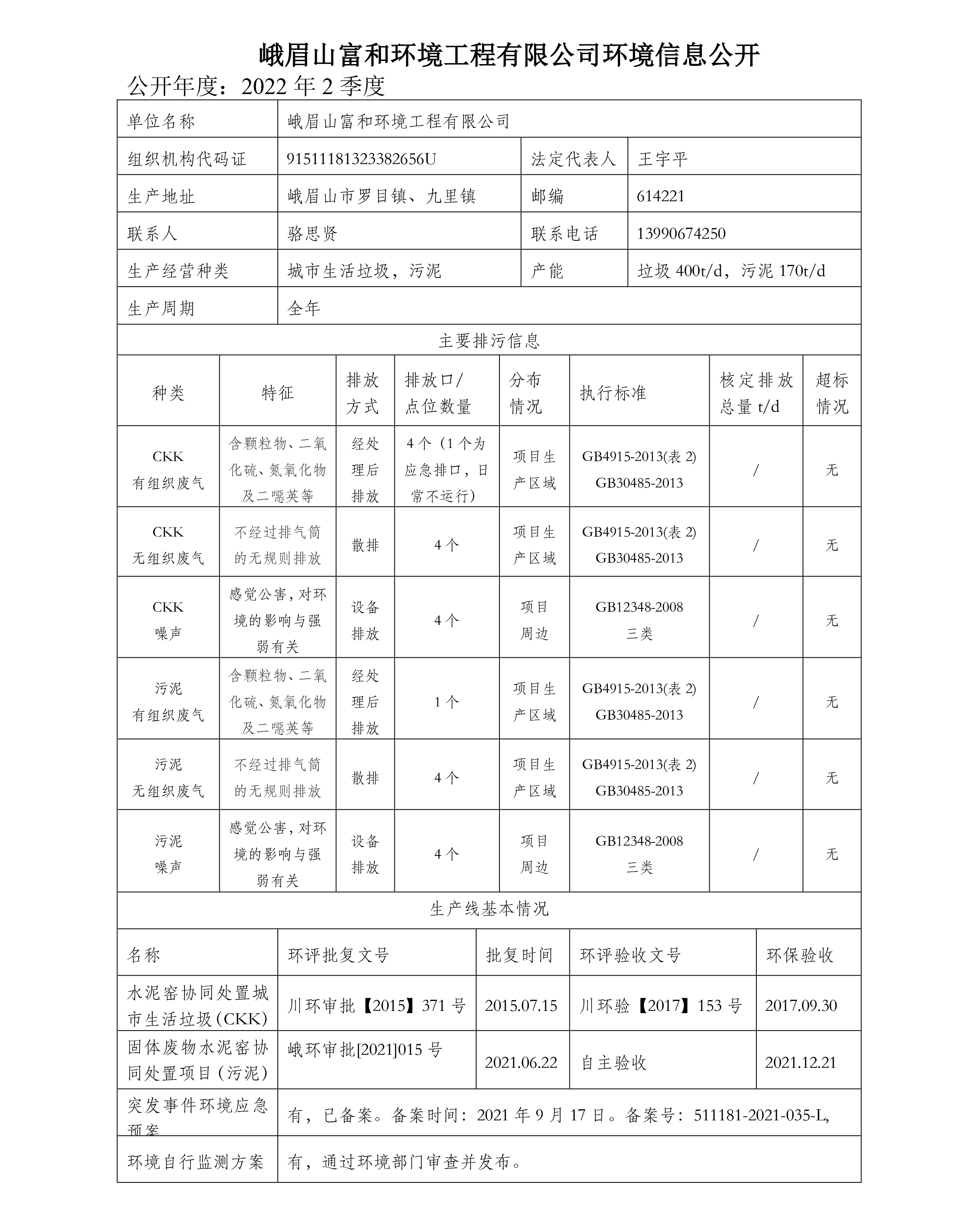
【公示】 峨眉山富和环境工程有限公司2022年环境信息公示(2季度)
date:
2022.07.13
依照《国家重点监控企业自行监测及信息公开办法》和相关法规要求,公司
2022
年第
2
季度环境监测情况公示如下:
附件:《
富和环境
2022
年第二季度监测报告》
【附件下载】
2022
年
7
月
13
日
SHARE
上一条:【公示】 四川峨胜集团石膏矿业有限公司2022年主要污染物排放监测公示表(2季度)
下一条:【公示】助磨剂采购项目招标公告
返回列表